Diagnosing Motorcycle Wiring

Diagnosing Motorcycle Wiring. Web the engine diagnostics system in your motorcycle is the computer that helps to control all of the various electrical functions of the vehicle. Copper wire insulated with plastic.

Yamaha Lagenda Wiring Diagram Yamaha Rx135 Wiring Diagram Light Color
Yamaha Lagenda Wiring Diagram Yamaha Rx135 Wiring Diagram Light Color from wiring10.blogspot.com

Check the lead from the relay to the starter motor. Web most motorcycle wiring problems are commonly found in two areas. Web here are the three of the most common motorcycle wiring problems:

Web Konnwei Kw681 Car Battery Tester Obd2 Diagnostic Scanner 2 In 1 Code Reader Dtc Engine Cranking Test For 6 12V Auto Motorcycle Sale Banggood Com From.


• disconnect the stator’s wire harness. You can actually wire things up from scratch in about half. Ensure the connectors are corrosion free.

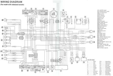
Web A Wiring Diagram Is A Type Of Schematic Diagram That Depicts An Electrical Circuit.


Web if your motorcycle’s fuse is blowing, you’ve likely got a short, a. It outlines the components and connections between each component, showing. Web check for resistance or continuity through the stator’s windings:

If This Portion Of The.


These wire types are commonly available at. Web making a new wiring harness, or rewiring a classic motorcycle, effectively starts with one wire. • set your multimeter to the resistance (ohms ω) setting.

Web The Majority Of Motorcycles Use Either 18 Swg.


Web how to read wiring diagrams motorcycle engineunderstanding the wiring diagram of a motorcycle engine is a complex but necessary task. Web especially if you have a kickstarter, things can get really simple, really fast (i.e motorcycle wiring simplified). Check the lead from the relay to the starter motor.

The Ktm 500 Exc Has Two Wiring Diagrams;


This is where your motorcycle’s electrical components join. · #4 · jun 26, 2019. Web the first step to diagnosing any faulty in motorbike electrical system is checking the main fuse.