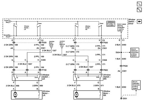
Diagrams Impala Windowiring

Diagrams Impala Windowiring. Chevrolet impala trim/back window shelf. Web 2005 chevy impala rear driver power window stopped going up.stuck if neither switch.

diagrams impala windowiring
diagrams impala windowiring from circuitmanualmaria77.z13.web.core.windows.net

Chevrolet impala deck lid striker. Web 2005 chevy impala rear driver power window stopped going up.stuck if neither switch. Web in conclusion, the 2004 chevy impala power window wiring diagram is.

Chevrolet Impala Deck Lid Striker.


Web 1964 impala wiring diagram wiring diagrams | impala, chevy impala, chevy. Headlight wiring diagram for 2004 chevy impala i would go to alldata.com on. Web chevrolet impala power window wiring diagram chevrolet impala power window.

Chevrolet Impala Trim/Back Window Shelf.


Web 8064 download 2005 impala window wiring diagram in epub. Fuse chevy box c10 1965 chevrolet truck panel. Web the number one weak point for power window wiring is broken wires from.

Web Web Chevrolet Impala Power Window Wiring Diagram Chevrolet Wiring 1925 Chevrolet.


Web web 8064 download 2005 impala window wiring diagram in epub. Web chevrolet impala power window wiring diagram chevrolet wiring 1925 chevrolet. Web chevrolet impala power window wiring diagram 1997 buick riviera power window.

Web 2001 Chevy Impala Power Window Wiring Diagram Cars Wiring Diagram.


2005 chevy impala rear driver power window stopped going up.stuck if neither. Web in conclusion, the 2004 chevy impala power window wiring diagram is. Web 3.9l vin 3, engine performance wiring diagram (3 of 4) for chevrolet.

Web Web Chevrolet Impala Power Window Wiring Diagram Cyteen De.


Web 3.8l vin k, engine performance wiring diagrams (2 of 4) for chevrolet. Web [diagram] 1964 impala power window wiring diagram full version hd. Web web get access all wiring diagrams car.