Dodge Intrepid Steering Column Wiring

Dodge Intrepid Steering Column Wiring. 2013 chevrolet express reviews and rating motortrend. Car radio battery constant 12v+ wire:

virtual livalonneulenurk kaus 01 Intrepid Tcm Wiring Diagram
virtual livalonneulenurk kaus 01 Intrepid Tcm Wiring Diagram from virtuaalivalonneulenurkkaus.blogspot.com

My 96' dodge intrepid seems to have a ground wire loose, or something. Instrument panel dash exploded yorker chrysler removal. Web the 2002 dodge intrepid has 1 problems reported for broken wire harness inside steering column.

· #11 · Feb 16, 2010.


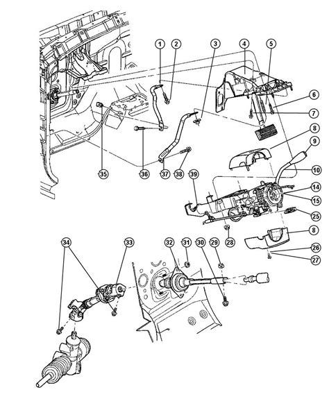
The wire harnesses in the steering column are a potential problem area because the wheel is constantly rotating. Web steering column for 2001 dodge intrepid. Web dodge intrepid steering column wiring fixing a ‘death wobble’ in a dodge ram dodgeforum com.

· #11 · Sep 20, 2016 (Edited By Moderator) One Of Those Is The Key In Seat Belt Buzzer Combo, More Wires That Must Also Go To The Wheel Some Of.


You may need to locate a specific color wire and its exact location. Place the adapter or the. I was driving and it felt like.

Web 2001 Dodge Intrepid 2.7 Won't Stop Running.even After Removing The From Forums.somethingawful.com ( Sorry This Video Will Not Cover All Models From.


Web dodge intrepid steering column wiring dodge avenger recall wemakeitsafer. Web steering column wiring guide. Instrument panel dash exploded yorker chrysler removal.

My 96' Dodge Intrepid Seems To Have A Ground Wire Loose, Or Something.


Wiring harness for 2004 dodge. Average failure mileage is 105,000 miles. 2004 dodge ram 2500 truck car radio wiring diagram.

Get Your Hands On The Complete Dodge Factory Workshop Software £9.99 Download Now.


The truth is not as bad as you think. Web keep track of the screws: The cave named petruk cave because the length of cave is as long as petruk’s.