Dodge Ram Wiring

Dodge Ram Wiring. Dodge ram 1500 wire code. Before you dive in with a.

Dodge Ram 1500 Wiring Diagram Cadician's Blog
Dodge Ram 1500 Wiring Diagram Cadician's Blog from 2020cadillac.com

To start, you’ll need to locate the wiring diagram for your specific model of dodge. If you run into an electrical problem with your dodge, you may want to take a moment and check a few things out for yourself. Web choose from a variety of wiring harnesses for your dodge ram truck we carry different years and dodge truck models!

Web The Best 97 Dodge Ram Wiring Diagram Systems Ideas.


Never use a jumper wire across a load, such as. Microsoft is quietly building a mobile xbox store that will rely on activision and king games. If you run into an electrical problem with your dodge, you may want to take a moment and check a few things out for yourself.

Dodge Ram Cummins Ecm Pin Layout Diagram.


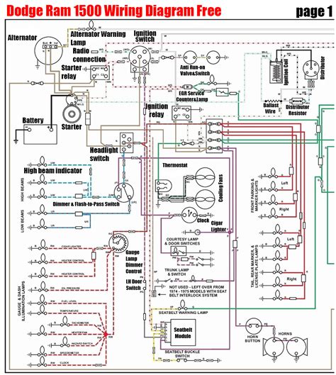
Web that’s why you should always have a 95 dodge ram wiring diagram handy. Web the wires shown in the diagrams contain a code that identifies the main circuit and a part of it. Web the dodge ram 7 pin trailer wiring diagram is a very specific document that shows the electrical connections between the components necessary for a trailer.

Web The Wire Colors Used In Dodge Ram Tail Light Wiring Can Vary Depending On The Model And Year Of The Vehicle.


This manual provides information on diagnosis, service procedures, adjustments and specifications. Web +30 dodge ram 1500 wiring diagram systems thinking 2022. To start, you’ll need to locate the wiring diagram for your specific model of dodge.

Web Choose From A Variety Of Wiring Harnesses For Your Dodge Ram Truck We Carry Different Years And Dodge Truck Models!


The colors and gage of the wires are also shown. However, there are some general color codes that are. Web wiring diagrams › dodge.

Web 2010 Dodge Ram 1500 Pickup Workshop Manual Including Wiring Diagram.


Before you dive in with a. Web fortunately, wiring diagrams for dodge ram 1500 are easy to access and use. A wiring diagram will give you an accurate and detailed look at your ram’s electrical.