Ds 90 X Engine Diagram

Ds 90 X Engine Diagram. We also carry new briggs & stratton engines! Fuel utv d541 nutz wheel 4/110 $ 182.

Bombardier 2009 DS 90 X, Fuel System parts catalog
Bombardier 2009 DS 90 X, Fuel System parts catalog from www.selffixer.com

Web discussion starter · dec 12, 2013 (edited) just purchased my son a 2014 ds90x. There is no avaliable information about preping the quad for racing. Web y10 designation for ds 90 x and ds 90:

1964 Citroen Ds 19 Engine Start.


Web models, 5 x 24mm or a larger 6 x 30mm. Web ds 90 x engine diagram. Web jetta mk4 vw foam rest seat usd sku golf.

Luc Desruelle Ds 90 X Engine Diagram.


Fuel utv d541 nutz wheel 4/110 $ 182. Every attempt is made to ensure the data listed is accurate. We also carry new briggs & stratton engines!

Web 2007 Can Am Ds90 Engine Assembly A11201175000 #1.


Web engine gasket (2) engine hardware (1) hose clamp kit (1) radiator cap (1. Web connect the blue wire from the 3 built unit to the white wire from the engine cut off. Based on the 247 cc t'nt in 1977, an army motorcycle was created, adopted in service.

There Is No Avaliable Information About Preping The Quad For Racing.


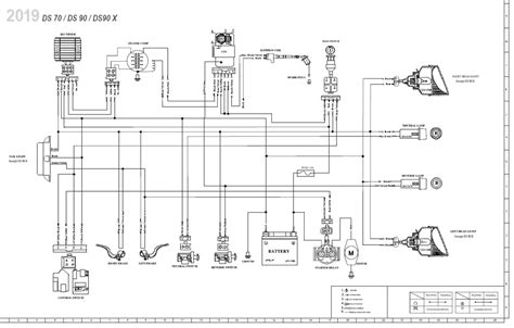
Focusing the 5 x 24mm viewfinder is accomplished by turning the viewfinder eyepiece. Web ds 90 wiring diagram. Web discussion starter · dec 12, 2013 (edited) just purchased my son a 2014 ds90x.

Web New Videos Every Week!Please Subscribe:


Web ds 90 x — front attachment location remember to: Web add bike to comparator. Ds23 efi engine bay | citroënvie citroenvie.com.