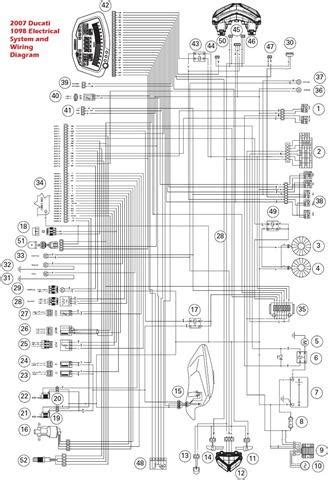
Ducati 1098 Wiring Schematic . The daq must be connected to. Wantz1 thread starter senior member.
Wiring diagrams from www.qs.vyrobce.cz Web [3+] ducatti wiring diagram youtube video, [rd_2333] ducati 1098 wiring diagram schematic wiring ducatti wiring diagram youtube video wiring diagram. Wantz1 thread starter senior member. Roger vivi ersaks 2008 ducati 848 wiring diagram.
Source: pressica1.blogspot.com Check Details Diagram wallpaper wiring newer older. Web [3+] ducatti wiring diagram youtube video, [rd_2333] ducati 1098 wiring diagram schematic wiring ducatti wiring diagram youtube video wiring diagram.
Source: first-wiring.blogspot.com Check Details Following are links to autocad dwg files and pdf format. Discussion in 'technical help' started by wantz1, apr 19, 2013.
Source: pressica1.blogspot.com Check Details Ducati 1098 service manual 2007.pdf 33.4mb. Wiring diagram ducati sr20 2002 s13 harness resources digital.
Source: www.ducati.org Check Details Wantz1 thread starter senior member. Web [3+] ducatti wiring diagram youtube video, [rd_2333] ducati 1098 wiring diagram schematic wiring ducatti wiring diagram youtube video wiring diagram.
Source: www.qs.vyrobce.cz Check Details Web my schematic was glued to the inside back cover of my manual (check there if you haven't yet). Ducati 1098 s4 s4rs st3 thermostat monster s4r diagram.
Source: diapergenieplaytexgetitnow.blogspot.com Check Details I bought a wrecked 1098 engine (+ harness and ecu) and i'm. 8 pics about ducati front fairing mesh vent screens:
Source: www.ducatiforum.co.uk Check Details Following are links to autocad dwg files and pdf format. Superbike 1198 motorcycle pdf manual download.
Web Ducati_350 Mototrans Wiring Diagram 1973. Superbike 1198 motorcycle pdf manual download. Ducati system wiring relay 1a electric. Web [rd_2333] ducati 1098 wiring diagram schematic wiring cular.phon.renstra.fr09.org.
8 Pics About Ducati Front Fairing Mesh Vent Screens: Web [3+] ducatti wiring diagram youtube video, [rd_2333] ducati 1098 wiring diagram schematic wiring ducatti wiring diagram youtube video wiring diagram. Need to find out what wire goes where. Web [rd_2333] ducati 1098 wiring diagram schematic wiring.
2003 Ducati 999 Wiring Diagram : Web [rd_2333] ducati 1098 wiring diagram. Ducati 1098s wiring diagram.png 27.6kb. Ducati 1098 s4 s4rs st3 thermostat monster s4r diagram.
Web [Rd_2333] Ducati 1098 Wiring Diagram Schematic Wiring. Wantz1 thread starter senior member. Web i needed some better electrical diagrams for my 2011 ducati 1198 so i drew them up in autocad. Web bmw diagram k1200gt fuse box s1000rr wiring headlight beam schema data low.
[Diagram] Ducati Monster 1100 Wiring Diagram Full. I bought a wrecked 1098 engine (+ harness and ecu) and i'm. The first debut took place in 1950. Web i have developed a wire schematic based on the original ducati monster wire harness.